找答案
考试指南
试卷
请在
下方输入
要搜索的题目:
搜 索
画出断路器控制回路的原理图。
画出断路器控制回路的原理图。
发布时间:
2025-12-22 16:01:19
首页
司法考试
推荐参考答案
(
由 快搜搜题库 官方老师解答 )
联系客服
答案:
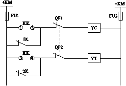
答:原理图如图E-55所示。
图E-55KK—控制开关;YC—合闸线圈;1K—自动装置的合闸继电器触点;YT—跳闸线圈;2K—继电保护出口继电器触点; KM、KM—直流控制回路电源小母线
相关试题
1.
画出断路器控制回路的原理图。
2.
请画出断路器手动跳闸回路图。
3.
画出两相定时限过电流保护的交流回路原理图和直流回路展开图。
4.
画出反应温度控制PID回路。
5.
画出三相异步电动机自动往返运动控制原理图,要求:
6.
对断路器控制回路有哪些基本要求?
7.
对断路器控制回路的要求有哪些?
8.
断路器控制回路中,红灯用于监视合闸回路是否完好 。
9.
断路器控制回路中,绿灯发平光,表明
10.
断路器控制回路设计需满足哪些要求?
热门标签
护士考试题库
消防员考试题库
社区工作者面试题库
注册税务师题库
招警考试题库
助产士考试题库
申论题库
经济学题库
信息技术考试题库
教师资格证小学题库
政治理论考试题库
公务员题库app
医疗考试题库
公共基础知识题库
司法考试题库
药剂师考试题库
考试题库网
普通话考试内容题库
教师资格面试题库
综合素质考试题库及答案